DF1359TRUSTING

tarcza hamulcowa

DF1359 TRUST

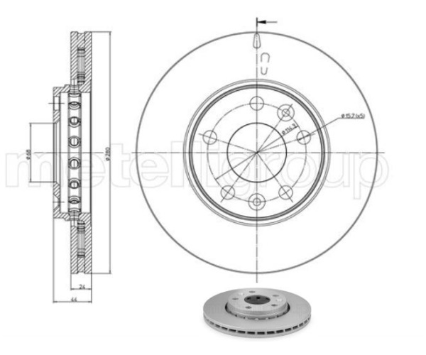
TARCZA HAM./P/ RENO MEGAN III 08>

śr.280x24mm Min.21.8mm 5-otworów

Dostępność

magazyn ARKO
2

Parametry

Oznaczenie kontrolne ECE-R90
Wysokość [mm] 44,0
Typ tarczy hamulcowej wentylowany
Grubość tarczy hamulcowej [mm] 24,0
Średnica zewnętrzna [mm] 280,0
Liczba otworów 5
Średnica otworu centrującego [mm] 68,0
Powierzchnia lakierowany

Kody EAN

Dokumentacja producenta

Odpowiedniki

A.B.S.: 17976, 17976S
APEC: DSK2676
ASHIKA: 60-00-031, 60-00-031C
ATE: 24.0124-0221.1, 424221
BENDIX: 522038, 562529BC
BLUE PRINT: ADR164302
BOSCH: 0 986 479 553, 0 986 479 777, 0 986 479 C62, 0 986 479 K23, 0 986 479 W70
BRAKE ENGINEERING: DI956724
BRECO: BS8792, BV8792
BREMBO: 09.A727.10, 09.A727.11, 09.A727.14, 09.A727.1E
CAR: 1421492, HPD1492
CIFAM: 800-981C
DELPHI: BG4265, BG4265C
FEBI BILSTEIN: 108405
FERODO: DDF1728, DDF1728C
FRI.TECH.: BD1359
FTE: BS7272, BS7272B
GALFER: 24840VF
GUTTMANN: 50220144651
ICER: 78BD4022-2
INTERBRAKE: HRN861V, RN861V
JAPANPARTS: DI-031, DI-031C
JAPKO: 60031, 60031C
JURID: 522038, 562529JC
LPR: R1036V, R1036VR
MAPCO: 25127
METELLI: 23-0981C
MEYLE: 16155210019, 16155210019/PD, 16155210040, 16155210040/PD
MINTEX: MDC2195C
NATIONAL: NBD1669
NK: 203970, 313970
OPTIMAL: BS-8304C
PAGID: 54955NC
PILENGA: V793
QUINTON HAZELL: BDC5838
REMSA: DF61346.10
SBS: 1815203970, 1815313970
SKF: VKBD80008V2
SWAG: 60108405
TEXTAR: 92195505
TRW: DF6072, DF6199
VALEO: 197192
VILLAR: 6282607
WOKING: D61346.10
ZIMMERMANN: 470243320

Samochody osobowe

DACIA: DUSTER (HM_) (2017-10 » ), DUSTER (HS_) (2010-04 » 2018-01), DUSTER Furgon/SUV (2011-04 » )
NISSAN: JUKE (F16_) (2019-08 » ), TERRANO (D10) (2013-08 » ), TOWNSTAR EVALIA nadwozie wielkoprzestrzenne (MPV) (XFK) (2024-05 » ), TOWNSTAR Furgon/minivan (XFK) (2021-12 » ), TOWNSTAR nadwozie wielkoprzestrzenne (MPV) (XFK) (2021-12 » )
RENAULT: ARKANA I (LCM_, LDN_) (2019-08 » ), CAPTUR II (HF_) (2020-01 » ), DUSTER (HM_) (2017-10 » ), DUSTER (HS_) (2011-01 » ), EXPRESS Furgon/minivan (2021-05 » ), FLUENCE (L3_) (2010-02 » ), GRAND KANGOO III nadwozie wielkoprzestrzenne (MPV) (2024-01 » ), GRAND SCENIC III (JZ0/1_) (2009-02 » 2016-09), KANGOO III Furgon/minivan (2021-06 » ), KANGOO III nadwozie wielkoprzestrzenne (MPV) (2021-07 » ), KAPTUR (H5_) (2016-03 » ), LAGUNA coupe (DT0/1) (2008-09 » 2015-12), LAGUNA III (BT0/1) (2007-10 » 2015-12), LAGUNA III Grandtour (KT0/1) (2007-10 » 2015-12), MEGANE CC (EZ0/1_) (2010-06 » 2015-08), MEGANE III Combi Van (KZ0/1) (2009-01 » 2015-08), MEGANE III coupe (DZ0/1_) (2008-11 » 2016-09), MEGANE III Grandtour (KZ0/1) (2008-11 » 2016-01), MEGANE III Hatchback Van (BZ_) (2008-11 » 2015-08), MEGANE III liftback (BZ0/1_, B3_) (2008-11 » ), MEGANE IV Grandtour (K9A/M/N_) (2016-04 » ), MEGANE IV liftback (B9A/M/N_) (2015-11 » ), MEGANE IV sedan (LVA/M/N) (2016-10 » ), SCENIC III (JZ0/1_) (2008-12 » 2016-09), SCENIC III VAN (JZ0/1_) (2008-12 » 2016-09), ZOE (BFM_) (2012-06 » ), ZOE Furgon/hatchback (BFM_) (2019-04 » )