
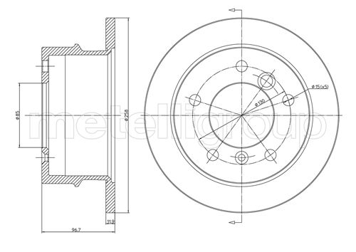
656500 RHTARCZA HAM./T/ DB SPRINTER,LT
śr.258x95.5x12mm Min.10mm mod.208-216D LT 28
magazyn ARKO0
| Oznaczenie kontrolne | K.B.A.: 61210 |
| Ciężar [kg] | 6,2 |
| Strona zabudowy | Oś tylna |
| Średnica [mm] | 258 |
| Grubość tarczy hamulcowej [mm] | 12 |
| Minimalna grubość [mm] | 10 |
| Wysokość [mm] | 96,5 |
| Średnica otworu centrującego [mm] | 85 |
| Liczba otworów | 5 |
| Typ tarczy hamulcowej | pełny |
| Średnica zewnętrzna [mm] | 258 |
DF216 TRUSTTARCZA HAM./T/ DB SPRINTER,LT
258*95.5*12mm Min.10mm mod.208-216D 96> LT 28
magazyn ARKO8
| Oznaczenie kontrolne | ECE-R90 |
| Wysokość [mm] | 97,0 |
| Typ tarczy hamulcowej | pełny |
| Grubość tarczy hamulcowej [mm] | 12,0 |
| Średnica zewnętrzna [mm] | 258,0 |
| Liczba otworów | 5 |
| Średnica otworu centrującego [mm] | 85,0 |
604767 DACOTARCZA HAM./T/ VW T4 96>
śr.280x12mm min 10mm
magazyn ARKO2
| Wysokość [mm] | 40,4 |
| Typ tarczy hamulcowej | pełny |
| Grubość tarczy hamulcowej [mm] | 12 |
| Wymiar gwintu | 16 |
| Minimalna grubość [mm] | 10 |
| Średnica zewnętrzna [mm] | 280 |
| Liczba otworów | 5 |
| Średnica otworu centrującego [mm] | 68,3 |
18490 FBTARCZA HAM./T/ VW T4 96> (!)
śr.280x12mm min 10mm
magazyn ARKO2
0| Grubość tarczy hamulcowej [mm] | 12 |
| Felga, liczba otworów | 5 |
| Liczba otworów do mocowania | 1 |
| Grubość [mm] | 40,4 |
| Średnica zewnętrzna [mm] | 280 |
| Ø rozmieszczenia otworów [mm] | 112 |
| Powierzchnia | pokryty |
| Typ tarczy hamulcowej | pełny |
| Strona zabudowy | Oś tylna |
| Minimalna grubość [mm] | 10 |
| Średnica otworu centrującego [mm] | 68 |
| uwzględnić informację serwisową |