
171439 FBTARCZA HAM./T/ AUDI Q2 16> (!)
śr.272x10mm Min.8mm 5-otworów
magazyn ARKO2
0| Grubość tarczy hamulcowej [mm] | 10 |
| Felga, liczba otworów | 5 |
| Liczba otworów do mocowania | 1 |
| Grubość [mm] | 58,2 |
| średnica zewnętrzna [mm] | 272 |
| Ø rozmieszczenia otworów [mm] | 112 |
| Powierzchnia | pokryty |
| Typ tarczy hamulcowej | pełny |
| Strona zabudowy | Oś tylna |
| Minimalna grubość [mm] | 8 |
| Średnica otworu centrującego [mm] | 65 |
| Ciężar [kg] | 4,1 |
| dla numeru OE | 5Q0 615 601 B |
| uwzględnić informację serwisową |
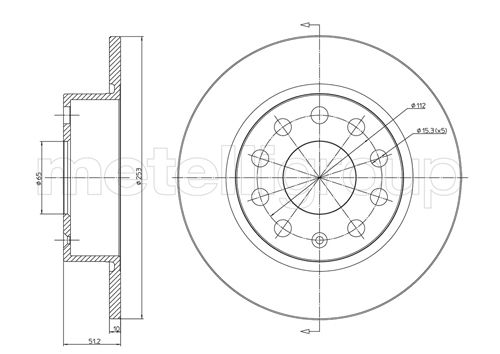
DF867 TRUSTTARCZA HAM./T/ VW GOLF V 03>
śr.255x10mm Min.8mm AUDI A3 03> ALTEA,LEON,TOLEDO 04> OCTAVIA 04> GOLF PLUS
magazyn ARKO2
| Oznaczenie kontrolne | ECE-R90 |
| Wysokość [mm] | 51,3 |
| Typ tarczy hamulcowej | pełny |
| Grubość tarczy hamulcowej [mm] | 10,0 |
| średnica zewnętrzna [mm] | 253,0 |
| Liczba otworów | 5 |
| Średnica otworu centrującego [mm] | 65,0 |
| Powierzchnia | lakierowany |