
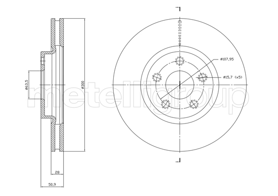
24.0128-0154TARCZA HAM./P/ FORD MONDEO 07> (!)
śr.300x28mm Min.26mm 5-otworów GALAXY 06> S-MAX 06> ŚR.ŚRUB - 15mm
magazyn ARKO2
0| średnica zewnętrzna [mm] | 300,0 |
| Grubość tarczy hamulcowej [mm] | 28,0 |
| Minimalna grubość [mm] | 26,0 |
| Typ tarczy hamulcowej | wentylowany |
| Przetwarzanie | wysoko nawęglany |
| Powierzchnia | pokryty |
| Liczba otworów | 5 |
| Średnica otworu [mm] | 15,8 |
| Ø rozmieszczenia otworów [mm] | 108,0 |
| Wysokość [mm] | 52,0 |
| Średnica otworu centrującego [mm] | 63,5 |
| Średnica wewnętrzna [mm] | 140,0 |
| Informacja uzupełniająca | ze śrubami |
| Dostępne MAPP-Code | |
| Oznaczenie kontrolne | E1 90R-02C0115/0038 |
BR 392 VA100TARCZA HAM./P/ FORD MONDEO 07>
śr.300x28mm Min.26mm 5-otworów GALAXY 06> S-MAX 06-- WIĘKSZA ŚREDNICA OTWORU POD ŚRUBY - 15mm
magazyn ARKO4
| Typ tarczy hamulcowej | wentylowany |
| Materiał | Żeliwo szare |
| Informacja uzupełniająca | ze sworzniem mocującym koła |
| Powierzchnia | pokryty |
| Kolor | szary |
| Informacja uzupełniająca | bez łożyska koła |
| średnica zewnętrzna [mm] | 300 |
| Grubość tarczy hamulcowej [mm] | 28 |
| Wysokość [mm] | 52 |
| Średnica otworu centrującego [mm] | 63,5 |
| Ø rozmieszczenia otworów [mm] | 108 |
| Minimalna grubość [mm] | 26 |
| Liczba otworów | 6 |
3B1044TARCZA HAM./P/ FORD MONDEO 07> (!)
śr.300x28mm Min.26mm 5-otworów GALAXY 06> S-MAX 06> ŚR.ŚRUB - 15mm
magazyn ARKO2
0| Typ tarczy hamulcowej | wentylowany |
| Wysokość [mm] | 52 |
| Grubość tarczy hamulcowej [mm] | 28 |
| Wymiar gwintu | 15,75 |
| Minimalna grubość [mm] | 26 |
| średnica zewnętrzna [mm] | 300 |
| Liczba otworów | 5 |
| Średnica otworu centrującego [mm] | 63,5 |
| Ø rozmieszczenia otworów [mm] | 108 |
6101910 RHTARCZA HAM./P/ FORD MONDEO 07>
śr.300x28mm Min.26mm 5-otworów GALAXY 06> S-MAX 06> ŚR.ŚRUB - 15mm
magazyn ARKO0
| Strona zabudowy | Oś przednia |
| Średnica [mm] | 300 |
| Grubość tarczy hamulcowej [mm] | 28 |
| Minimalna grubość [mm] | 26 |
| Wysokość [mm] | 52 |
| Średnica otworu centrującego [mm] | 63,5 |
| Liczba otworów | 5 |
| Typ tarczy hamulcowej | wentylowany |
| Ciężar [kg] | 8,52 |
| średnica zewnętrzna [mm] | 300 |
DF1005 TRUSTTARCZA HAM./P/ FORD MONDEO 07>
śr.300x28mm Min.26mm 5-otworów GALAXY 06> S-MAX 06> ŚR.ŚRUB - 15mm
magazyn ARKO2
| Oznaczenie kontrolne | ECE-R90 |
| Wysokość [mm] | 52,0 |
| Typ tarczy hamulcowej | wentylowany |
| Grubość tarczy hamulcowej [mm] | 28,0 |
| średnica zewnętrzna [mm] | 300,0 |
| Liczba otworów | 5 |
| Średnica otworu centrującego [mm] | 63,5 |
| Powierzchnia | lakierowany |
DF1834 TRUSTTARCZA HAM./P/ FORD S-MAX 15>
śr.300x28mm Min.26.5mm 5-otworów GALAXY 15>