
P801POMPA WODNA PEUGEOT 2.2HDI 16V 99> (!)
BOXER 406,607,807,C5,C8
magazyn ARKO1
0| Tryb pracy | mechaniczne |
| Artykuł uzupełniający / informacja uzupełniająca | z uszczelnieniem |
| Liczba zębów | 19 |
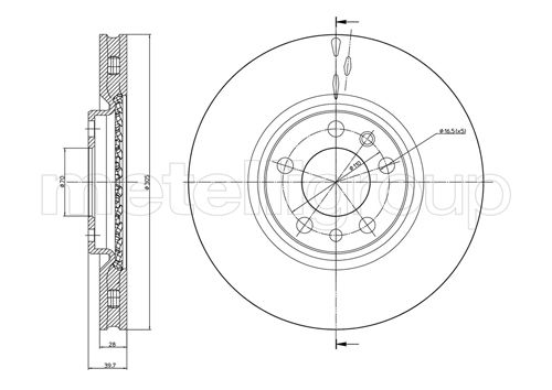
DF1487 TRUSTTARCZA HAM./P/ ALFA ROMEO 159 05>
śr.305x28mm Min.26mm 5-otworów
magazyn ARKO0
| Oznaczenie kontrolne | ECE-R90 |
| Wysokość [mm] | 39,7 |
| Typ tarczy hamulcowej | wentylowany |
| Grubość tarczy hamulcowej [mm] | 28,0 |
| Średnica zewnętrzna [mm] | 305,0 |
| Liczba otworów | 5 |
| Średnica otworu centrującego [mm] | 70,0 |
| Powierzchnia | lakierowany |