
BR 340 VA100TARCZA HAM./P/ TOYOTA YARIS 99>
śr.235x18mm Min. 16mm bębny ham. z tyłu
magazyn ARKO2
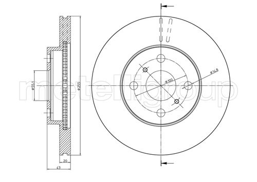
| Typ tarczy hamulcowej | wentylowany |
| Powierzchnia | pokryty |
| Kolor | szary |
| Informacja uzupełniająca | bez łożyska koła |
| Średnica zewnętrzna [mm] | 235 |
| Grubość tarczy hamulcowej [mm] | 18 |
| Wysokość [mm] | 43 |
| Średnica otworu centrującego [mm] | 55 |
| Ø rozmieszczenia otworów [mm] | 100 |
| Minimalna grubość [mm] | 16 |
| Liczba otworów | 4 |
604570 DACOTARCZA HAM./P/ TOYOTA YARIS 99>
śr.235x18mm Min. 16mm bębny ham. z tyłu
magazyn ARKO2
| Wysokość [mm] | 43,1 |
| Typ tarczy hamulcowej | wentylowany |
| Grubość tarczy hamulcowej [mm] | 18 |
| Wymiar gwintu | 15,2 |
| Minimalna grubość [mm] | 16 |
| Średnica zewnętrzna [mm] | 235 |
| Liczba otworów | 4 |
| Średnica otworu centrującego [mm] | 55 |
661810 RHTARCZA HAM./P/ TOYOTA YARIS 99>
śr.235x18mm Min. 16mm
magazyn ARKO0
| Oznaczenie kontrolne | K.B.A.: 61209 |
| Ciężar [kg] | 3,72 |
| Strona zabudowy | Oś przednia |
| Średnica [mm] | 235 |
| Grubość tarczy hamulcowej [mm] | 17,9 |
| Minimalna grubość [mm] | 16 |
| Wysokość [mm] | 43,2 |
| Średnica otworu centrującego [mm] | 55 |
| Liczba otworów | 4 |
| Typ tarczy hamulcowej | wentylowany |
| Średnica zewnętrzna [mm] | 235 |
DF458 TRUSTTARCZA HAM./P/ TOYOTA YARIS 99>
śr.235x18mm Min. 16mm bębny ham. z tyłu
magazyn ARKO4
| Średnica zewnętrzna [mm] | 235,0 |
| Liczba otworów | 4 |
| Średnica otworu centrującego [mm] | 55,0 |
| Powierzchnia | lakierowany |
| Oznaczenie kontrolne | ECE-R90 |
| Wysokość [mm] | 43,0 |
| Typ tarczy hamulcowej | wentylowany |
| Grubość tarczy hamulcowej [mm] | 18,0 |
DF721 TRUSTTARCZA HAM./P/ TOYOTA YARIS 99>
śr.255*20mm Min.18mm 4-otwo. 99> ( dla poj z tyl. ham.tarczowymi )
magazyn ARKO0
| Średnica otworu centrującego [mm] | 55,0 |
| Powierzchnia | lakierowany |
| Oznaczenie kontrolne | ECE-R90 |
| Wysokość [mm] | 43,1 |
| Typ tarczy hamulcowej | wentylowany |
| Grubość tarczy hamulcowej [mm] | 20,0 |
| Średnica zewnętrzna [mm] | 255,0 |
| Liczba otworów | 4 |