
3B1072TARCZA HAM./P/ ALFA ROMEO 147,156,164 (!)
śr. 284x22 min 20 LANCIA THEMA FIAT CROMA
magazyn ARKO0
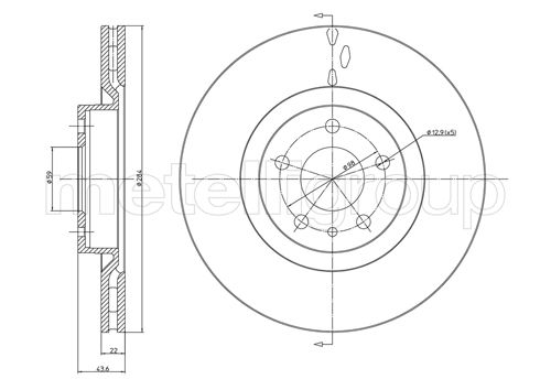
0| Typ tarczy hamulcowej | wentylowany |
| Wysokość [mm] | 43,5 |
| Grubość tarczy hamulcowej [mm] | 22 |
| Wymiar gwintu | 13 |
| Minimalna grubość [mm] | 20,2 |
| średnica zewnętrzna [mm] | 284 |
| Liczba otworów | 5 |
| Średnica otworu centrującego [mm] | 59 |
| Ø rozmieszczenia otworów [mm] | 98 |
614900 RHTARCZA HAM./T/ ALFA R.147,156
śr. 251x10mm ALFA R. 147 01> 156 97> 164 87> FIAT CROMA 86>
magazyn ARKO0
| Oznaczenie kontrolne | K.B.A.: 61210 |
| Ciężar [kg] | 3,6 |
| Strona zabudowy | Oś tylna |
| Średnica [mm] | 251 |
| Grubość tarczy hamulcowej [mm] | 10 |
| Minimalna grubość [mm] | 9 |
| Wysokość [mm] | 50,5 |
| Średnica otworu centrującego [mm] | 59 |
| Liczba otworów | 5 |
| Typ tarczy hamulcowej | pełny |
| średnica zewnętrzna [mm] | 251 |
631610 RHTARCZA HAM./P/ ALFA ROMEO 147,156,164
śr. 284x22 min 20 LANCIA THEMA FIAT CROMA
magazyn ARKO0
| Oznaczenie kontrolne | K.B.A.: 61209 |
| Ciężar [kg] | 6,32 |
| Strona zabudowy | Oś przednia |
| Średnica [mm] | 284 |
| Grubość tarczy hamulcowej [mm] | 22 |
| Minimalna grubość [mm] | 20,2 |
| Wysokość [mm] | 43,5 |
| Średnica otworu centrującego [mm] | 59 |
| Liczba otworów | 5 |
| Typ tarczy hamulcowej | wentylowany |
| średnica zewnętrzna [mm] | 284 |
DF670 TRUSTTARCZA HAM./P/ ALFA ROMEO 147,156,164
śr. 284x22 min 20 LANCIA THEMA FIAT CROMA
magazyn ARKO0
| Oznaczenie kontrolne | ECE-R90 |
| Wysokość [mm] | 43,5 |
| Typ tarczy hamulcowej | wentylowany |
| Grubość tarczy hamulcowej [mm] | 22,0 |
| średnica zewnętrzna [mm] | 284,0 |
| Liczba otworów | 5 |
| Średnica otworu centrującego [mm] | 59,0 |
| Powierzchnia | lakierowany |
DF1749TARCZA HAM./P/ ALFA ROMEO 147,156,164 (!)
śr. 284x22 min 20 LANCIA THEMA FIAT CROMA
magazyn ARKO2
0| Typ tarczy hamulcowej | wentylowany |
| średnica zewnętrzna [mm] | 284 |
| Grubość tarczy hamulcowej [mm] | 22 |
| Minimalna grubość [mm] | 20,2 |
| Średnica otworu centrującego [mm] | 59 |
| Wysokość [mm] | 43,5 |
| Liczba otworów | 5 |
| Wymiar gwintu | 13 |
| Ø rozmieszczenia otworów [mm] | 98 |
| Kolor | czarny |
| Powierzchnia | lakierowany |
| Oznaczenie kontrolne | E1 90R-02 C0176/0573 |