
DF210 TRUSTTARCZA HAM./P/ PEUGEOT 206,306
śr.247x13mm Min.11mm
magazyn ARKO6
| Oznaczenie kontrolne | ECE-R90 |
| Wysokość [mm] | 34,3 |
| Typ tarczy hamulcowej | pełny |
| Grubość tarczy hamulcowej [mm] | 13,0 |
| średnica zewnętrzna [mm] | 247,0 |
| Liczba otworów | 4 |
| Średnica otworu centrującego [mm] | 66,0 |
| Powierzchnia | lakierowany |
24.0113-0185TARCZA HAM./P/ PEUGEOT 206,306 (!)
śr.247x13mm Min.11mm XSARA
magazyn ARKO2
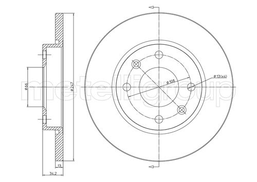
0| średnica zewnętrzna [mm] | 247,5 |
| Grubość tarczy hamulcowej [mm] | 13,0 |
| Minimalna grubość [mm] | 11,0 |
| Typ tarczy hamulcowej | pełny |
| Powierzchnia | pokryty |
| Liczba otworów | 4 |
| Ø rozmieszczenia otworów [mm] | 108,0 |
| Wysokość [mm] | 34,2 |
| Średnica otworu centrującego [mm] | 66,0 |
| Średnica wewnętrzna [mm] | 133,0 |
| Średnica otworu [mm] | 13,0 |
| Informacja uzupełniająca | ze śrubami |
| Dostępne MAPP-Code | |
| Oznaczenie kontrolne | E1 90R-02C0165/0998 |
3B1024TARCZA HAM./P/ PEUGEOT 206,306 (!)
śr.247x13mm Min.11mm XSARA
magazyn ARKO2
0| Typ tarczy hamulcowej | pełny |
| Wysokość [mm] | 34,3 |
| Grubość tarczy hamulcowej [mm] | 13 |
| Wymiar gwintu | 13 |
| Minimalna grubość [mm] | 11,5 |
| średnica zewnętrzna [mm] | 247 |
| Liczba otworów | 4 |
| Średnica otworu centrującego [mm] | 66 |
| Ø rozmieszczenia otworów [mm] | 108 |
653500 RHTARCZA HAM./P/ PEUGEOT 206,306
śr.247x13mm Min.11mm
magazyn ARKO0
| Oznaczenie kontrolne | K.B.A.: 61210 |
| Ciężar [kg] | 3,8 |
| Strona zabudowy | Oś przednia |
| Średnica [mm] | 247 |
| Grubość tarczy hamulcowej [mm] | 13 |
| Minimalna grubość [mm] | 11 |
| Wysokość [mm] | 34,2 |
| Średnica otworu centrującego [mm] | 66 |
| Liczba otworów | 4 |
| Typ tarczy hamulcowej | pełny |
| średnica zewnętrzna [mm] | 247 |