
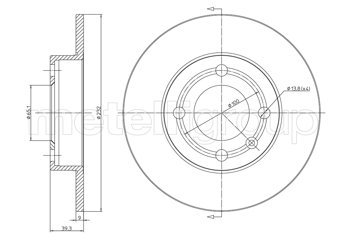
DF149 TRUSTTARCZA HAM./T/ VW GOLF IV 97>
śr.232x9mm Min. 7mm OCTAVIA 96> IBIZA,CORDOBA 02> A3 96> BORA 98> LEON 99>
magazyn ARKO6
| Oznaczenie kontrolne | ECE-R90 |
| Wysokość [mm] | 39,5 |
| Typ tarczy hamulcowej | pełny |
| Grubość tarczy hamulcowej [mm] | 9,0 |
| Średnica zewnętrzna [mm] | 232,0 |
| Liczba otworów | 5 |
| Średnica otworu centrującego [mm] | 65,0 |
| Powierzchnia | lakierowany |
DF182 TRUSTTARCZA HAM./T/ VW POLO 98-01
śr.232*9mm MIN. 7mm AROSA 00> CORDOBA 99> IBIZA 99-02 LUPO 99>